Sparkle Youthika Lohegaon | 2 & 3 BHK at Pune | Get Floor Plan, Location, Price & RERA

Sparkle Youthika By Sparkle Realty

Lohegaon, Pune

2 BHK, 3 BHK 23

(Residential)

Unfurnished

67 L - 91 L

(Project)

Sparkle Youthika RERA NO : P52100051202

Contact Form

About Sparkle Youthika

Sparkle Youthika, an under construction project by the well-known developer Sparkle Realty, is located in Lohegaon, D.Y, MTR Road, Shivnagar Chirke Colony, Pune, and offers 2 & 3 BHK residences. The possession timeline for this project is December 2026. Sparkle Youthika Lohegaon has 2 Towers of G+10 storeys and is RERA-registered with the registration number P52100051202.The development includes over 20 modern amenities such as a, Swimming Pool, Kids Pool, Clubhouse, Yoga Zone, Meditation Area, Garden, Kids Play Area, Gym, Open Gym, Covered Parking, Multipurpose Court, Party Lawn, Amphitheater, Senior Citizens Plaza, Indoor Games, CCTV Surveillance, Society Office. The internal features of Sparkle Youthika include anti-skid tiles, luxurious vitrified tiles, exquisite branded CP fittings, exhaust fan provisions, and granite kitchen platforms.

 

1 BHK apartments at Sparkle Youthika start at ₹67 lakh with a carpet area of 714 sqft. The construction is progressing in full swing. For additional information, including floor plans, price sheets, RERA ID, reviews, possession timelines, construction status, location advantages, and specifications, visit our sales office,  Address is - Sparkle Youthika , Sr. No 315, Patil 30, D.Y, MTR Road, Shivnagar Chirke Colony, Lohegaon, Pune, 411047. A complete gallery showcasing sample photos and layouts is available. For details on Phase 1, Phase 2, developer information, Site Visit, Pickup Drop Service, sample flats, sale and rent availability, and a detailed look at diverse floor plans, download our brochure or visit our website.

SPECIFICATION

Biggest Room Sizes in the Vicinity
Coverved Kitchen Design
Vastu Compliant
Privacy-Focused Layouts
Touching Main Road – Lohegaon

Sparkle Youthika Configuration & Price

Types Area Price Click
2 BHK 714 - 780 Sqft 67 L - 70 L View Detail
3 BHK 975 Sqft 91 L View Detail

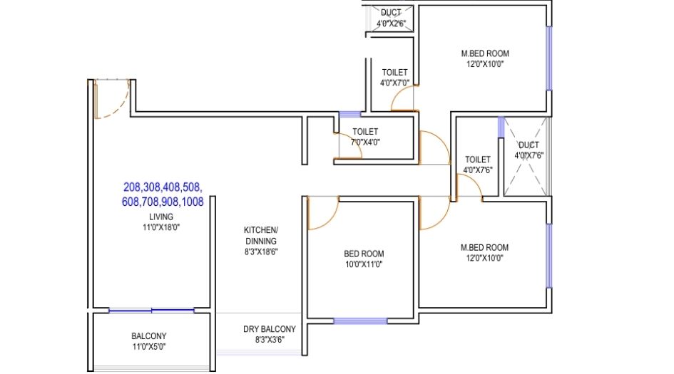
Sparkle Youthika Floor Plans

Sparkle Youthika Address

Sparkle Youthika Location Advantages

  • 2Apple Hospital - 350 Meters
  • Kaveri International School - 2.5 Km
  • Pune International Airport - 5 Km
  • Diamond Water Parks - 5.6 Km
  • Symbiosis International University - 6.6 Km 
  • Phoenix Marketcity - 7.8 Km
  • Ramwadi Metro Station - 7.8 Km
  • MH SH 27 - 7.9 Km
  • Eon IT Park - 10.1 Km
  • Pune Railway Station - 12.2 Km
  • Saint Dyaneshwar Stadium - 15.9 Km

Founded in 2017 by Anurag Barmecha, Sparkle Realty is a Bangalore-based real estate developer blending modern design with traditional values. With a team of passionate professionals and a focus on innovation, the company delivers high-quality, environmentally responsible homes. Sparkle is driven by values of integrity, sustainability, and customer-centricity—committed to building trust, fostering collaboration, and shaping spaces that enhance both lifestyle and the planet.

Lohegaon is a prominent suburb in Pune, known for its strategic location and excellent connectivity. It's situated close to key areas like Viman Nagar, Kalyani Nagar, and Kharadi, offering easy access to IT hubs, schools, colleges, and entertainment zones. With several transportation options, including the upcoming Ramwadi Metro Station, Lohegaon is becoming a sought-after residential destination. The area offers a blend of tranquility and modern amenities, making it ideal for families and professionals alike. Its proximity to major roads and public transport makes commuting convenient.

Frequently Asked Question (FAQ)

What types of homes are available at Sparkle Youthika, Lohegaon?

Sparkle Youthika offers 2 & 3 BHK homes ranging from Carpet 714 – 975 Sqft.

The project includes over 25 amenities such as a Swimming Pool, Kids Pool, Clubhouse, Yoga Zone, Meditation Area, Garden, Kids Play Area, Gym, Open Gym, Covered Parking, Multipurpose Court, Party Lawn, Amphitheater, Senior Citizens Plaza, Indoor Games, CCTV Surveillance, Society Office and more.

Located Nearby 2Apple Hospital - 350 Meters, Kaveri International School - 2.5 Km, Pune International Airport - 5 Km, Diamond Water Parks - 5.6 Km, Symbiosis International University - 6.6 Km, Phoenix Marketcity - 7.8 Km, Ramwadi Metro Station - 7.8 Km, MH SH 27 - 7.9 Km, Eon IT Park - 10.1 Km, Pune Railway Station - 12.2 Km, Saint Dyaneshwar Stadium - 15.9 Km, the property offers excellent connectivity.

Yes, Sparkle Youthika is an RERA-authorized project with MahaRERA number P52100051202.
P52100051202

P52100051202

price-list-image

Thank you for visiting our website. We are currently in the process of revising our website in accordance with RERA. We are in the process of updating the website. The content provided on this website is for informational purposes only, and should not be construed as legal advice on any subject matter. Without any limitation or qualification, users hereby agree with this Disclaimer, when accessing or using this website

The site is promoted by Digispace, an official marketing partner of the project & RERA is A51700026634

Copyright © 2022 . All Rights Reserved , Star by North Consutructions | Designed by Arrow Space

price-list-image

Drop us a Query!

+91